Оперативно подберем датчик по фото !
Отправьте фото датчика и в течении 15 минут мы подберем для Вас нужный элемент или его аналог!
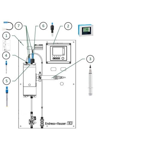
Приобрести Multiparameter drinking water panel Endress+Hauser по выгодной цене можно по тел.+375(29) 661 40 09 в компании ООО "АквилаКит".
Параметры Endress+Hauser
Easy planning
The bundle comprises all necessary components for comprehensive monitoring your drinking water. You can be sure to select the right measuring technology for your plant.
Fast commissioning
The Memosens sensors for pH, conductivity, turbidity and free chlorine are factory-calibrated. Simply connect them to the Liquiline transmitter via true plug and play and start measuring.
Perfectly suited to all disinfection steps
With the Memosens CCS51E free chlorine sensor included, the bundle is perfectly suited to all water treatment steps that involve disinfection such as pretreatment, conditioning and disinfection or distribution.
Reliable measurement at low water consumption
The design of the integrated assembly minimizes the amount of water consumed while the intergrated flow monitoring ensures that your measurement is always operational.
The panel offers the complete solution for reliable and accurate
Входной сигнал
1...4 цифровых входа Memosens2 входа 0/4...20 мА (опция)2...4 цифровых входа (опция)
Выходной сигнал
Memosens
Габаритные размеры
Диаметр: 6,3 ммЖилы: 2x2 жилы, витые парыДлина: до приблиз. 100 м
Датчик температуры
For digital sensors with inductive plug-head with and without temperature sensor
Диапазон измерения
Кабель высокого сопротивление не требуется.
Дополнительные сертификаты
Также доступно в исполнении SIL с сертификатом биологической совместимости.
Конструкция
Easy to handle Bajonett coupling to connect digital sensors with Memosens technology and plug-headNo open contacts, resistant against humidity
Материал
Оболочка кабеля: TPEСоединительная коробка: алюминий
Метод измерения
- Закрытая (покрытая мембраной) измерительная ячейка- Уменьшение содержания свободного хлора на катоде
Монтаж
Разъем M12 или проволочные выводы для поключения к преобразователю.
Подключение
Индуктивный, соединительная головка с цифровым подключением, с Memosens
Применение
Measuring cable for contactless, inductive, digital transmission of measurement signals
Принцип измерения
Hygienic 4-electrode conductivity sensor
Рабочая температура
-25 ... 135 °C (-13 ... 277 °F)
Рабочее давление
макс. 50 бар при 135°C
Сертификаты на взрывозащиту
ATEX II 1G Ex ia IIC T3/T4/T6FM, CSA IS Cl.1 Div 1 Gr. A-DATEX, NEPSI II 3G Ex nL IICTIIS
Степень защиты
IP 68 / NEMA Type 6P
Характеристики
Inductive, digital transmission of measurement signals and energyNot influenced by moisture, EMC-fields and corrosion
Отзывов: 0
Нет отзывов об этом товаре.
Вопросов: 0
Нет вопросов об этом товаре.
Способы доставки
- Доставка курьером
- Транспортная компания
- Доставка "Самовывоз"
- Доставка курьером
- Транспортная компания
- Доставка "Самовывоз"
Способы оплаты
- Безналичный расчет
- Наличными на расчетный счет через кассу Банка.
- Безналичный расчет
- Наличными на расчетный счет через кассу Банка.
Гарантия:
Гарантия на всю продукцию, поставляемую компанией "АквилаКит", равна гарантии, предоставляемой производителем на данный тип продукции.
Регионы доставки:
- Армения, все регионы
- Азербайджан, все регионы
- Беларусь:
- Брестская область
- Витебская область
- Гомельская область
- Гродненская область
- Минск
- Минская область
- Могилевская область:
- Бобруйск
- Горки
- Осиповичи
- Кричев
- Быхов
- Климовичи
- Шклов
- Костюковичи
- Мстиславль
- Чаусы
- Кировск
- Чериков
- Славгород
- Кличев
- Могилев
- Грузия, все регионы
- Казахстан, все регионы
- Кыргызстан, все регионы
- Молдова, все регионы
- Россия, все регионы
- Таджикистан, все регионы
- Туркменистан, все регионы
- Узбекистан, все регионы
Мы доставим Ваш заказ в любую точку в странах СНГ! Обращайтесь к нам!
- Армения, все регионы
- Азербайджан, все регионы
- Беларусь:
- Брестская область
- Витебская область
- Гомельская область
- Гродненская область
- Минск
- Минская область
- Могилевская область:
- Бобруйск
- Горки
- Осиповичи
- Кричев
- Быхов
- Климовичи
- Шклов
- Костюковичи
- Мстиславль
- Чаусы
- Кировск
- Чериков
- Славгород
- Кличев
- Могилев
- Грузия, все регионы
- Казахстан, все регионы
- Кыргызстан, все регионы
- Молдова, все регионы
- Россия, все регионы
- Таджикистан, все регионы
- Туркменистан, все регионы
- Узбекистан, все регионы
Мы доставим Ваш заказ в любую точку в странах СНГ! Обращайтесь к нам!
Похожие товары
Вы недавно смотрели
Датчик для цилиндров с Т-образным пазом MK5123 MK5123
Производитель:
IFM ElectronicКод товара:
MK5123
Под заказ
Цена по запросу
Ультразвуковой датчик Pepperl Fuchs UC500-30GM-IUR2-V15
Производитель:
Pepperl FuchsКод товара:
UC500-30GM-IUR2-V15
Под заказ
Цена по запросу
Датчик давления SICK PBS-RB600SG1SSNMMA0Z
Производитель:
SICKКод товара:
PBS-RB600SG1SSNMMA0Z
Под заказ
Цена по запросу
Pepperl Fuchs OMT600-R200-2EP-IO-0,3M-V31-L
Производитель:
Pepperl FuchsКод товара:
OMT600-R200-2EP-IO-0,3M-V31-L
Под заказ
Цена по запросу
Ультразвуковой датчик SICK UM30-211115
Производитель:
SICKКод товара:
UM30-211115
Под заказ
Цена по запросу
