Оперативно подберем датчик по фото !
Отправьте фото датчика и в течении 15 минут мы подберем для Вас нужный элемент или его аналог!
Купить Multiparameter drinking water panel with oxygen measurement Endress+Hauser по выгодной цене можно по тел.+375(29) 661 40 09 в компании ООО "АквилаКит".
Параметры Endress+Hauser
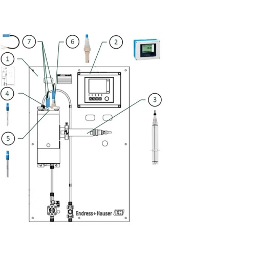
Always ready for the measurements
Thanks to factory-calibrated sensors, the drinking water panel is ready for immediate use. An assembly with integrated flow monitoring ensures an interruption-free measuring operation.
Easy installation and commissioning
With the Endress+Hauser water quality monitoring panel, installing and commissioning measuring points is simple: just screw the ready-made solution to the wall, connect it to power and water, and you're ready to go.
Everything from a single source
Easy ordering of all components for drinking water monitoring, fully assembled and everything from a single provider.
Maximum flexibility
The modular design of the solution enables perfect adaptation to process requirements and offers maximum flexibility for future expansions of a measuring point.
The fully assembled panels are complete solutions for monitoring
Входной сигнал
1...4 цифровых входа Memosens2 входа 0/4...20 мА (опция)2...4 цифровых входа (опция)
Выходной сигнал
Memosens
Габаритные размеры
Диаметр: 6,3 ммЖилы: 2x2 жилы, витые парыДлина: до приблиз. 100 м
Датчик температуры
For digital sensors with inductive plug-head with and without temperature sensor
Диапазон измерения
Кабель высокого сопротивление не требуется.
Дополнительные сертификаты
Также доступно в исполнении SIL с сертификатом биологической совместимости.
Конструкция
Easy to handle Bajonett coupling to connect digital sensors with Memosens technology and plug-headNo open contacts, resistant against humidity
Материал
Оболочка кабеля: TPEСоединительная коробка: алюминий
Монтаж
Разъем M12 или проволочные выводы для поключения к преобразователю.
Подключение
Process connection: DN25, DN40, G1, NPT 1"Sensor connection: Inductive, digital connection head with Memosens 2.0 technology
Применение
Measuring cable for contactless, inductive, digital transmission of measurement signals
Принцип измерения
Conductive conductivity cell with graphite electrodes
Рабочая температура
-25 ... 135 °C (-13 ... 277 °F)
Рабочее давление
макс. 50 бар при 135°C
Сертификаты на взрывозащиту
ATEX II 1G Ex ia IIC T3/T4/T6FM, CSA IS Cl.1 Div 1 Gr. A-DATEX, NEPSI II 3G Ex nL IICTIIS
Степень защиты
IP68
Характеристики
Inductive, digital transmission of measurement signals and energyNot influenced by moisture, EMC-fields and corrosion
Отзывов: 0
Нет отзывов об этом товаре.
Вопросов: 0
Нет вопросов об этом товаре.
Способы доставки
- Доставка курьером
- Транспортная компания
- Доставка "Самовывоз"
- Доставка курьером
- Транспортная компания
- Доставка "Самовывоз"
Способы оплаты
- Безналичный расчет
- Наличными на расчетный счет через кассу Банка.
- Безналичный расчет
- Наличными на расчетный счет через кассу Банка.
Гарантия:
Гарантия на всю продукцию, поставляемую компанией "АквилаКит", равна гарантии, предоставляемой производителем на данный тип продукции.
Регионы доставки:
- Армения, все регионы
- Азербайджан, все регионы
- Беларусь:
- Брестская область
- Витебская область
- Гомельская область
- Гродненская область
- Минск
- Минская область
- Могилевская область:
- Бобруйск
- Горки
- Осиповичи
- Кричев
- Быхов
- Климовичи
- Шклов
- Костюковичи
- Мстиславль
- Чаусы
- Кировск
- Чериков
- Славгород
- Кличев
- Могилев
- Грузия, все регионы
- Казахстан, все регионы
- Кыргызстан, все регионы
- Молдова, все регионы
- Россия, все регионы
- Таджикистан, все регионы
- Туркменистан, все регионы
- Узбекистан, все регионы
Мы доставим Ваш заказ в любую точку в странах СНГ! Обращайтесь к нам!
- Армения, все регионы
- Азербайджан, все регионы
- Беларусь:
- Брестская область
- Витебская область
- Гомельская область
- Гродненская область
- Минск
- Минская область
- Могилевская область:
- Бобруйск
- Горки
- Осиповичи
- Кричев
- Быхов
- Климовичи
- Шклов
- Костюковичи
- Мстиславль
- Чаусы
- Кировск
- Чериков
- Славгород
- Кличев
- Могилев
- Грузия, все регионы
- Казахстан, все регионы
- Кыргызстан, все регионы
- Молдова, все регионы
- Россия, все регионы
- Таджикистан, все регионы
- Туркменистан, все регионы
- Узбекистан, все регионы
Мы доставим Ваш заказ в любую точку в странах СНГ! Обращайтесь к нам!
Похожие товары
Вы недавно смотрели
Лазерный датчик расстояния SICK OD2-N50W10C2
Производитель:
SICKКод товара:
OD2-N50W10C2
Под заказ
Цена по запросу
Proline Prowirl F 200 vortex flowmeter
Производитель:
Endress+HauserКод товара:
EH_0258
Под заказ
Цена по запросу
Лазерный датчик расстояния Baumer OADM 20I5440/S14C
Производитель:
BaumerКод товара:
OADM 20I5440/S14C
Под заказ
Цена по запросу
Ультразвуковой датчик Microsonic nero-35/CD
Производитель:
MicrosonicКод товара:
nero-35/CD
Под заказ
Цена по запросу
