Оперативно подберем датчик по фото !
Отправьте фото датчика и в течении 15 минут мы подберем для Вас нужный элемент или его аналог!
Ключевые особенности:
Очень большой диапазон С клеммной коробкой, которую можно вращать на 90° Программируемый режим срабатывания на свет/темноту Большой диапазон напряжения
Очень большой диапазон С клеммной коробкой, которую можно вращать на 90° Программируемый режим срабатывания на свет/темноту Большой диапазон напряжения
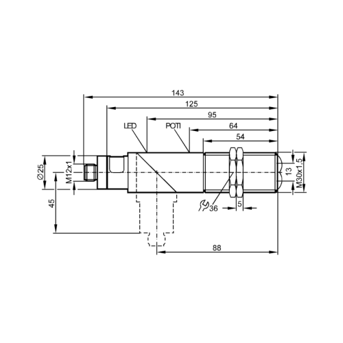
| Характеристики | |||||
|---|---|---|---|---|---|
| Тип света | Инфракрасный свет | ||||
| Корпус | Резьбовой корпус | ||||
| Размеры [mm] | M30 x 1,5 | ||||
| Приложение | |||||
| Функциональный принцип | Рефлекторный датчик | ||||
| Электронные данные | |||||
| Рабочее напряжение [V] | 1055 DC | ||||
| Потребление тока [mA] | 30, ((24 V)) | ||||
| Класс защиты | II | ||||
| Защита от переполюсовки | да | ||||
| Тип света | Инфракрасный свет | ||||
| Длина волны [nm] | 950 | ||||
| Выходы | |||||
| Электрическое исполнение | PNP | ||||
| Функция выходного сигнала | Режим срабатывания на свет / затемнение, (программируемый) | ||||
| Макс. падение напряжения коммутационного выхода DC [V] | 2,5 | ||||
| Постоянный ток нагрузки коммутационного выхода DC [mA] | 250 | ||||
| Частота переключения DC [Hz] | 65 | ||||
| Защита от короткого замыкания | да | ||||
| Тип защиты от короткого замыкания | тактовый | ||||
| Защита от перегрузок по току | да | ||||
| Диапазон контроля | |||||
| Расстояние срабатывания с призматическим отражателем [m] | 4, (Призматический отражатель Ø 80 E20005) | ||||
| Настраиваемый диапазон | да | ||||
| Условия эксплуатации | |||||
| Температура окружающей среды [°C] | -2580 | ||||
| Степень защиты | IP 65 | ||||
| Испытания / одобрения | |||||
| ЭMC |
|
||||
| Механические данные | |||||
| Вес [g] | 136,078 | ||||
| Корпус | Резьбовой корпус | ||||
| Размеры [mm] | M30 x 1,5 | ||||
| Обозначение резьбы | M30 x 1,5 | ||||
| Материал | PBT (полибутилентерефталат), PPO модифицированный | ||||
| Материал линз |
|
||||
| Дисплеи / Элементы управления | |||||
| Дисплей |
|
||||
| Принадлежности | |||||
| Принадлежности (поставляются в комплекте) |
|
||||
| Примечания | |||||
| Упаковочная величина | 1 шт. | ||||
| электрическое подключение | |||||
| Соединение | Разъем: 1 x M12 |
Характеристики IFM
Дисплей
Состояние выхода: 1 x светодиод жёлтый
Материал
PBT (полибутилентерефталат)qwerty, PPO модифицированный
Обозначение продукции
Рефлекторный датчик
Производитель
IFM
Рабочее напряжение DC
10…55 V
Соединение
M12 Разъем
Степень защиты
IP 65
Тип
OI8505
Тип напряжения
DC
Тип света
Инфракрасный свет
Функция выходного сигнала
(программируемый)qwerty, Режим срабатывания на свет / затемнение
Электрическое исполнение
PNP
Отзывов: 0
Нет отзывов об этом товаре.
Вопросов: 0
Нет вопросов об этом товаре.
Способы доставки
- Доставка курьером
- Транспортная компания
- Доставка "Самовывоз"
- Доставка курьером
- Транспортная компания
- Доставка "Самовывоз"
Способы оплаты
- Безналичный расчет
- Наличными на расчетный счет через кассу Банка.
- Безналичный расчет
- Наличными на расчетный счет через кассу Банка.
Гарантия:
Гарантия на всю продукцию, поставляемую компанией "АквилаКит", равна гарантии, предоставляемой производителем на данный тип продукции.
Регионы доставки:
- Армения, все регионы
- Азербайджан, все регионы
- Беларусь:
- Брестская область
- Витебская область
- Гомельская область
- Гродненская область
- Минск
- Минская область
- Могилевская область:
- Бобруйск
- Горки
- Осиповичи
- Кричев
- Быхов
- Климовичи
- Шклов
- Костюковичи
- Мстиславль
- Чаусы
- Кировск
- Чериков
- Славгород
- Кличев
- Могилев
- Грузия, все регионы
- Казахстан, все регионы
- Кыргызстан, все регионы
- Молдова, все регионы
- Россия, все регионы
- Таджикистан, все регионы
- Туркменистан, все регионы
- Узбекистан, все регионы
Мы доставим Ваш заказ в любую точку в странах СНГ! Обращайтесь к нам!
- Армения, все регионы
- Азербайджан, все регионы
- Беларусь:
- Брестская область
- Витебская область
- Гомельская область
- Гродненская область
- Минск
- Минская область
- Могилевская область:
- Бобруйск
- Горки
- Осиповичи
- Кричев
- Быхов
- Климовичи
- Шклов
- Костюковичи
- Мстиславль
- Чаусы
- Кировск
- Чериков
- Славгород
- Кличев
- Могилев
- Грузия, все регионы
- Казахстан, все регионы
- Кыргызстан, все регионы
- Молдова, все регионы
- Россия, все регионы
- Таджикистан, все регионы
- Туркменистан, все регионы
- Узбекистан, все регионы
Мы доставим Ваш заказ в любую точку в странах СНГ! Обращайтесь к нам!
Похожие товары
Вы недавно смотрели
Дверной выключатель безопасности Schmersal AZM400Z-ST2-I1-2P2P-T-E
Производитель:
SchmersalКод товара:
AZM400Z-ST2-I1-2P2P-T-E
Под заказ
Цена по запросу
Световые завесы для систем безопасности OY098S OY098S
Производитель:
IFM ElectronicКод товара:
OY098S
Под заказ
Цена по запросу
