Оперативно подберем датчик по фото !
Отправьте фото датчика и в течении 15 минут мы подберем для Вас нужный элемент или его аналог!
Ключевые особенности:
Быстрая настройка: отсутствует необходимость в регулировке излучателя и приемника Тонкий и точный световой луч по всей ширине вилочного датчика Металлический корпус предотвращает несоосность Режим срабатывания на свет/темноту переключается при помощи поворотного переключателя Интуитивная настройка чувствительности с помощью потенциометра
Быстрая настройка: отсутствует необходимость в регулировке излучателя и приемника Тонкий и точный световой луч по всей ширине вилочного датчика Металлический корпус предотвращает несоосность Режим срабатывания на свет/темноту переключается при помощи поворотного переключателя Интуитивная настройка чувствительности с помощью потенциометра
| Характеристики | |||||||
|---|---|---|---|---|---|---|---|
| Тип света | красный свет | ||||||
| Размеры [mm] | 65 x 10 x 106 | ||||||
| Приложение | |||||||
| Особенности | Функциональный контрольный выход | ||||||
| Электронные данные | |||||||
| Рабочее напряжение [V] | 1035 DC, (Напряжение питания supply > | ||||||
| Потребление тока [mA] | < 45 | ||||||
| Класс защиты | III | ||||||
| Защита от переполюсовки | да | ||||||
| Тип света | красный свет | ||||||
| Длина волны [nm] | 660 | ||||||
| Выходы | |||||||
| Электрическое исполнение | PNP | ||||||
| Функция выходного сигнала | Режим срабатывания на темноту | ||||||
| Макс. падение напряжения коммутационного выхода DC [V] | 2 | ||||||
| Функциональный контрольный выход | да | ||||||
| Постоянный ток нагрузки коммутационного выхода DC [mA] | 200 | ||||||
| Частота переключения DC [Hz] | 200 | ||||||
| Защита от короткого замыкания | да | ||||||
| Тип защиты от короткого замыкания | тактовый | ||||||
| Защита от перегрузок по току | да | ||||||
| Условия эксплуатации | |||||||
| Температура окружающей среды [°C] | -1060 | ||||||
| Степень защиты | IP 67 | ||||||
| Испытания / одобрения | |||||||
| ЭMC |
|
||||||
| MTTF [годы] | 919 | ||||||
| Механические данные | |||||||
| Вес [g] | 150 | ||||||
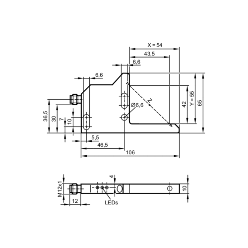
| Размеры [mm] | 65 x 10 x 106 | ||||||
| Длина стороны X [mm] | 54 | ||||||
| Длина стороны Y [mm] | 55 | ||||||
| Ширина датчика Z [mm] | 60,46 | ||||||
| Материал | корпус: отливка из цинка, Оптика: стекло | ||||||
| Дисплеи / Элементы управления | |||||||
| Дисплей |
|
||||||
| Примечания | |||||||
| Упаковочная величина | 1 шт. | ||||||
| электрическое подключение | |||||||
| Соединение | Разъем: 1 x M12 |
Характеристики IFM
Дисплей
Состояние выхода: 1 x светодиод жёлтый, режим работы: 1 x светодиод зелёный, Функция: 1 x светодиод жёлтый
Длина стороны X
54 mm
Длина стороны Y
55 mm
Материал
корпус: отливка из цинка, Оптика: стекло
Обозначение продукции
Оптический угловой датчик
Производитель
IFM
Рабочее напряжение DC
10…35 V
Размеры
65 x 10 x 106 mm
Соединение
M12 Разъем
Степень защиты
IP 67
Тип
OPL204
Тип напряжения
DC
Тип света
красный свет
Функция выходного сигнала
Режим срабатывания на темноту
Ширина датчика Z
60.46 mm
Электрическое исполнение
PNP
Отзывов: 0
Нет отзывов об этом товаре.
Вопросов: 0
Нет вопросов об этом товаре.
Способы доставки
- Доставка курьером
- Транспортная компания
- Доставка "Самовывоз"
- Доставка курьером
- Транспортная компания
- Доставка "Самовывоз"
Способы оплаты
- Безналичный расчет
- Наличными на расчетный счет через кассу Банка.
- Безналичный расчет
- Наличными на расчетный счет через кассу Банка.
Гарантия:
Гарантия на всю продукцию, поставляемую компанией "АквилаКит", равна гарантии, предоставляемой производителем на данный тип продукции.
Регионы доставки:
- Армения, все регионы
- Азербайджан, все регионы
- Беларусь:
- Брестская область
- Витебская область
- Гомельская область
- Гродненская область
- Минск
- Минская область
- Могилевская область:
- Бобруйск
- Горки
- Осиповичи
- Кричев
- Быхов
- Климовичи
- Шклов
- Костюковичи
- Мстиславль
- Чаусы
- Кировск
- Чериков
- Славгород
- Кличев
- Могилев
- Грузия, все регионы
- Казахстан, все регионы
- Кыргызстан, все регионы
- Молдова, все регионы
- Россия, все регионы
- Таджикистан, все регионы
- Туркменистан, все регионы
- Узбекистан, все регионы
Мы доставим Ваш заказ в любую точку в странах СНГ! Обращайтесь к нам!
- Армения, все регионы
- Азербайджан, все регионы
- Беларусь:
- Брестская область
- Витебская область
- Гомельская область
- Гродненская область
- Минск
- Минская область
- Могилевская область:
- Бобруйск
- Горки
- Осиповичи
- Кричев
- Быхов
- Климовичи
- Шклов
- Костюковичи
- Мстиславль
- Чаусы
- Кировск
- Чериков
- Славгород
- Кличев
- Могилев
- Грузия, все регионы
- Казахстан, все регионы
- Кыргызстан, все регионы
- Молдова, все регионы
- Россия, все регионы
- Таджикистан, все регионы
- Туркменистан, все регионы
- Узбекистан, все регионы
Мы доставим Ваш заказ в любую точку в странах СНГ! Обращайтесь к нам!
Похожие товары
Вы недавно смотрели
Световой барьер безопасности Omron F3SG-4SRB1040-25
Производитель:
OmronКод товара:
F3SG-4SRB1040-25
Под заказ
Цена по запросу
Индуктивный датчик Wenglor I12H047
Производитель:
WenglorКод товара:
I12H047
Под заказ
Цена по запросу
Датчик потока для невозвратного клапана и дисплея SB3246
Производитель:
IFM ElectronicКод товара:
SB3246
Под заказ
Цена по запросу
Световой барьер безопасности Omron F3SG-4RE1070P30
Производитель:
OmronКод товара:
F3SG-4RE1070P30
Под заказ
Цена по запросу
Световой барьер безопасности Omron F3SG-4RA0830-30
Производитель:
OmronКод товара:
F3SG-4RA0830-30
Под заказ
Цена по запросу
