Оперативно подберем датчик по фото !
Отправьте фото датчика и в течении 15 минут мы подберем для Вас нужный элемент или его аналог!
Ключевые особенности:
Простая настройка диапазона срабатывания с помощью потенциометра С комбинированной ступенью AC/DC Программируемая функция выходного сигнала нормально открытый/ нормально закрытый Высокая помехоустойчивость С клеммной коробкой, которую можно вращать на 90°
Простая настройка диапазона срабатывания с помощью потенциометра С комбинированной ступенью AC/DC Программируемая функция выходного сигнала нормально открытый/ нормально закрытый Высокая помехоустойчивость С клеммной коробкой, которую можно вращать на 90°
| Характеристики | |||
|---|---|---|---|
| Функция выходного сигнала | нормально открытый / нормально закрытый, (по выбору) | ||
| Диапазон срабатывания [mm] | 315 | ||
| Корпус | Резьбовой корпус | ||
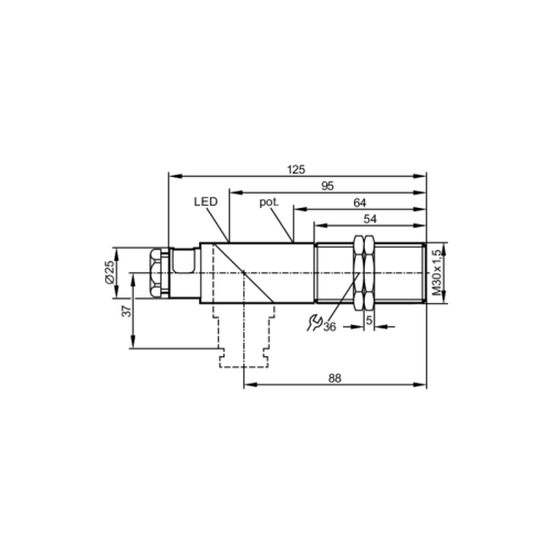
| Размеры [mm] | M30 x 1,5 / L = 125 | ||
| Электронные данные | |||
| Рабочее напряжение [V] | 20250 AC/DC | ||
| Класс защиты | II | ||
| Защита от перепутывания полярности | нет | ||
| Выходы | |||
| Функция выходного сигнала | нормально открытый / нормально закрытый, (по выбору) | ||
| Макс. падение напряжения коммутационного выхода DC [V] | 8 | ||
| Макс. падение напряжения коммутационного выхода АС [V] | 10 | ||
| Минимальная нагрузка по току [mA] | 5 | ||
| Макс. ток утечки [mA] | 2,5 (250 V AC) / 1,7 (110 V AC) / 1,5 (24 V DC) | ||
| Постоянный ток нагрузки коммутационного выхода АС [mA] | 200, (для применения в UL : 250 / 100 DC) | ||
| Постоянный ток нагрузки коммутационного выхода DC [mA] | 200, (для применения в UL : 250 AC / 100 DC) | ||
| Кратковременный ток нагрузки коммутационного выхода [mA] | 1500, (20 ms / 0,5 Hz) | ||
| Частота переключения АС [Hz] | 25 | ||
| Частота переключения DC [Hz] | 40 | ||
| Защита от короткого замыкания | нет | ||
| Защита от перегрузок по току | нет | ||
| Диапазон контроля | |||
| Диапазон срабатывания [mm] | 315 | ||
| Настраиваемое расстояние срабатывания | да | ||
| Заводская настройка расстояния срабатывания [mm] | 15 | ||
| Реальное расстояние срабатывания Sr [mm] | 15 ± 10 % | ||
| Рабочее расстояние срабатывания [mm] | 012,1 | ||
| Точность/ погрешность | |||
| Поправочный коэффициент | стекло: 0,4 / Вода: 1 / керамика: 0,2 / PVC (поливинилхлорид): 0,2 | ||
| Гистерезис [% от Sr] | 115 | ||
| Смещение точки переключения [% от Sr] | -1515 | ||
| Условия эксплуатации | |||
| Температура окружающей среды [°C] | -2570 | ||
| Степень защиты | IP 65 | ||
| Увеличенная помехоустойчивость | да, (Повышенная устойчивость к кондуктивным ВЧ помехам) | ||
| Испытания / одобрения | |||
| ЭMC |
|
||
| MTTF [годы] | 468 | ||
| Механические данные | |||
| Вес [g] | 136 | ||
| Корпус | Резьбовой корпус | ||
| Монтаж | незаподлицо | ||
| Размеры [mm] | M30 x 1,5 / L = 125 | ||
| Обозначение резьбы | M30 x 1,5 | ||
| Материал | PBT (полибутилентерефталат), крышка: PC | ||
| Дисплеи / Элементы управления | |||
| Дисплей |
|
||
| Электрическое подключение | |||
| Требуемая защита | миниатюрный предохранитель IEC60127-2 лист 1, ≤ 2 A, быстрая реакция | ||
| Принадлежности | |||
| Комплект поставки |
|
||
| Примечания | |||
| Примечания |
|
||
| Упаковочная величина | 1 шт. | ||
| электрическое подключение | |||
| Соединение | контактные зажимы: 2,5 mm², Защитная кабельная оболочка: Ø 713 mm, Кабельный ввод: M20 X 1,5 |
Характеристики IFM
Дисплей
Состояние выхода: 1 x светодиод красный
Длина корпуса
125 mm
Материал
PBT (полибутилентерефталат), крышка: PC
Монтаж
незаподлицо
Обозначение продукции
Емкостной датчик
Производитель
IFM
Рабочее напряжение AC
20…250 V
Рабочее напряжение DC
20…250 V
Соединение
контактные зажимы: …2,5 mm², Защитная кабельная оболочка: Ø 7…13 mm
Тип
KI0205
Тип напряжения
AC/DC
Функция выходного сигнала
нормально открытый / нормально закрытый, (по выбору)
Отзывов: 0
Нет отзывов об этом товаре.
Вопросов: 0
Нет вопросов об этом товаре.
Способы доставки
- Доставка курьером
- Транспортная компания
- Доставка "Самовывоз"
- Доставка курьером
- Транспортная компания
- Доставка "Самовывоз"
Способы оплаты
- Безналичный расчет
- Наличными на расчетный счет через кассу Банка.
- Безналичный расчет
- Наличными на расчетный счет через кассу Банка.
Гарантия:
Гарантия на всю продукцию, поставляемую компанией "АквилаКит", равна гарантии, предоставляемой производителем на данный тип продукции.
Регионы доставки:
- Армения, все регионы
- Азербайджан, все регионы
- Беларусь:
- Брестская область
- Витебская область
- Гомельская область
- Гродненская область
- Минск
- Минская область
- Могилевская область:
- Бобруйск
- Горки
- Осиповичи
- Кричев
- Быхов
- Климовичи
- Шклов
- Костюковичи
- Мстиславль
- Чаусы
- Кировск
- Чериков
- Славгород
- Кличев
- Могилев
- Грузия, все регионы
- Казахстан, все регионы
- Кыргызстан, все регионы
- Молдова, все регионы
- Россия, все регионы
- Таджикистан, все регионы
- Туркменистан, все регионы
- Узбекистан, все регионы
Мы доставим Ваш заказ в любую точку в странах СНГ! Обращайтесь к нам!
- Армения, все регионы
- Азербайджан, все регионы
- Беларусь:
- Брестская область
- Витебская область
- Гомельская область
- Гродненская область
- Минск
- Минская область
- Могилевская область:
- Бобруйск
- Горки
- Осиповичи
- Кричев
- Быхов
- Климовичи
- Шклов
- Костюковичи
- Мстиславль
- Чаусы
- Кировск
- Чериков
- Славгород
- Кличев
- Могилев
- Грузия, все регионы
- Казахстан, все регионы
- Кыргызстан, все регионы
- Молдова, все регионы
- Россия, все регионы
- Таджикистан, все регионы
- Туркменистан, все регионы
- Узбекистан, все регионы
Мы доставим Ваш заказ в любую точку в странах СНГ! Обращайтесь к нам!
Похожие товары
Вы недавно смотрели
Световой барьер Banner EA5R1050NUXMODQ
Производитель:
BannerКод товара:
EA5R1050NUXMODQ
Под заказ
Цена по запросу
Люминесцентный датчик Leuze Electronic LRT 8/24.04-50-S12
Производитель:
Leuze ElectronicКод товара:
LRT 8/24.04-50-S12
Под заказ
Цена по запросу
Датчик контраста SICK KTS-WB81141142ZZZZ
Производитель:
SICKКод товара:
KTS-WB81141142ZZZZ
Под заказ
Цена по запросу
